- 產品列表更多
- 聯系我們更多
-
煙臺超群石化機械有限公司
電??????話:0535-6207725
圖文 ?傳真:0535-6349179
郵??????箱:cqsh2012@aliyun.com
銷售部手機:15864087878(李經理)
18954554963(黃靜)
18954557113(季潔)
13688662616(徐娜)
技術咨詢:15864087878(李經理)
Q Q:3292262386
售后查件電話:18863880818(周杰)
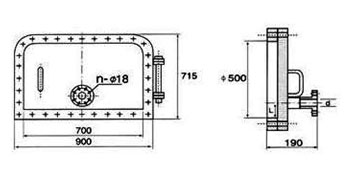
清掃孔(QSK型)
時間:2012-11-30 11:45


主要用途:
清掃孔裝于重質油罐低部,清掃油罐時可放出污水及掃除罐內污泥,其中GSQ-50A,GSQ-80B,GSQ-100C帶有放水管。
技術參數:
NO | 1 | 2 | 3 | 4 | 5 |
構件 Component | 殼體 Body | 密封件 Seal Material | 工作溫度(℃) Ambient Temperature | 操作壓力 Operating Pressure | 連接方式 Joint type |
材質 Material | 碳鋼 CS 不銹鋼 304 不銹鋼 316L | 石墨墊片 | ≤480℃ | 0.6~500MPa (150LB~600LB) | 法蘭連接 Flangejoint 對焊連接 ButtWelding joint |
法蘭標準:GB、HG、SH、HGJ、JB、ANSL、JIS等標準。(用戶指定,請注明壓力等級)
尺寸表:
DN | 50 | 80 | 100 | 500×700 |
L | 51 | 81 | 100 | 不帶放水管、其它尺寸同上 |
H | 135 | 150 | 160 |
訂貨須知:
訂貨時請注明產品尺寸、操作壓力及材質。
當需要其他標準法蘭、材質或操作壓力時,請在訂貨時注明。